

江蘇茂銘電力機械有限公司生產、加工、訂制各規格型號的手動濾水器|電動濾水器電話:13812335334(微信同號)。
一、手動濾水器|電動濾水器:
手動濾水器|電動濾水器在電站、化工、印染、造紙等行業供用水管邊上,由于從江河、湖海中取水的來源不同,所以在水中存在著多種多樣的雜質,如工業廢棄物、浮草、魚蝦、田螺等。有時,在進入供用水系統的管邊前,都采用簡單的柵欄過濾,條件比較好的或用一次濾網進行處理,但處理后的水中仍存在著一些體積較小的雜質。當它們在供用水系統中聚積到一定程度而不清除時,將導致通流面積減小,*終產生堵塞,嚴重時造成停機,對安全運行構成極大威脅。鑒于經濟、方便、維修等諸多因素,我公司設計和制造的新型手動濾水器|電動濾水器系列產品,可滿足用戶要求,徹底解決上述問題.
1、手動濾水器|電動濾水器主要技術參數
(1)工作壓力≤0.6MPa
(2)濾網孔徑φ3~φ8mm
(3)額定流量下的阻力≤0.05MPa
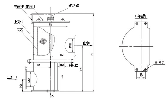
2、手動濾水器|電動濾水器結構與使用說明:
(1)本系列濾水器由①轉動軸、②定位桿、③支架殼體、④網芯、⑤進水口、⑥出水口、⑦排污口組成(見圖)。一般水質為淡水型的,濾網和內部主要部件為普通不銹鋼材質,若為海水或具有強酸堿型的,則采用特殊不銹鋼材質。
(2)濾水器入管道系統后,水就會從進水口進入濾水器,過濾后的水從出水口流出,當水雜質能過網芯時,由于體積大于網芯孔,而被截留在網芯上,當聚集到一定數量時,即造成進、出水口之間有一定壓力差,這時,可轉動網芯進行輪次自動反沖洗,雜質就會從排污口自行排出,如此往復循環,用戶可根據水中雜質多少、而定時、定期自動反沖排污。
3、手動濾水器|電動濾水器使用范圍:
(3)安裝在電站、化工、印染、造紙等多種行業的DN500以下供用水管邊上屬于替代二次濾網的小型濾水器,可任意選定粘度,具有體積小,造價低,過濾流量大等諸多優點;特別適用于母管制供用水的分支管道上,從而具有二次濾網所不及的優點。一般情況下,不須增加動力源,只需采用手動,手柄按產品所標定的位置依次轉動,手動濾水器|電動濾水器內部的幾個過濾室即可逐一清洗,從而達到自動反沖。
二、管道直連式濾水器(精密濾水器):
濾水器(精密濾水器)結構如圖所示,過濾面積為流通面積的2.5-3倍,在環形不銹鋼板上包含有許多小孔,主回路為雙層結構,反沖洗回路為單層結構,能夠達到很高的強度,全部采用不銹鋼制造,其結構合理,性能可靠,經久耐用,其濾芯更換也非常方便。訂貨時需注明是主回路,還是旁路(即反沖洗)。
1、技術規范:
(1)公稱通經DN25、40、50、65、80、100、125;
(2)公稱壓力PN≤1.6MPa;
(3)適用介質:水、油等;
三、直通式濾水器:
1、直通式濾水器用途:
直通式濾水器適用于凝結泵、給水泵工業水泵,閉式水泵系統介質過濾之用,也可以作為管邊濾網之用,對管邊中的機械雜物,懸浮物等起過濾作用,并能根據壓差大小對濾網清洗,保持濾網清潔,該型泵進口濾網的通流倍率較大
2、直通式濾水器主要技術參數:
(1)設計壓力0.4MPa、0.6MPa
(2)濾網孔徑φ3~φ8mm
(3)水阻≤0.05MPa
(4)通流倍率4.5倍
3、直通式濾水器選型表:
四、電動濾水器:
電動濾水器能對水中雜草、塑料薄膜、紙布屑、懸浮物等進行過濾作用,并能根據各地水質情況對濾網實行自動地連續或間斷清洗,保持網面經常清潔,正是目前我國先進的水過濾設備之一,適用于各種水過濾場合
1、電動濾水器主要技術參數
(1)工作壓力~0.6MPa
(2)濾網孔徑φ3~8mm
(3)額定流量下的阻力≤0.05MPa
2、電動濾水器結構說明
(1)傳動機構采用雙級擺線針輪減速機,濾水器轉動靈活,控制系統采用PLD程控,對濾水器實行自動程序或間歇性反沖洗。
(2)濾網網芯底部與支板上密封由原來的橡膠皮改為硬密封,能做到>2mm的雜物不從底部流到出口端,確保濾網的過濾能力。
(3)考慮到某些條件下水中含沙量大,上承軸座采用雙重密封式,水側為防泥沙密封,采用2道骨架密封圈,防止泥沙進入軸套磨損轉軸,外側采用4道填料式密封。
(4)軸座處試設防溢流管,做到無泄漏,文明生產。
(5)上下軸套均為可拆卸式,無需進行筒體解體即可方便更換。
|
濾水器型號 |
進出口管徑mm |
排污口徑mm |
過濾精度 |
尺寸參數 |
|
LS-20 |
Φ26 |
DN15 |
Φ0.8mm-7mm |
根據過濾精度等級及通流面積確定。 |
|
LS-32 |
Φ38 |
DN20 |
||
|
LS-40 |
Φ45 |
DN25 |
||
|
LS-50 |
Φ57 |
|||
|
LS-65 |
Φ76 |
DN32 |
||
|
LS-80 |
Φ89 |
|||
|
LS-100 |
Φ108 |
DN50 |
||
|
LS-125 |
Φ133 |
Φ2mm-7mm |
||
|
LS-150 |
Φ159 |
DN80 |
||
|
LS-200 |
Φ219 |
|||
|
LS-250 |
Φ273 |
Φ3mm-7mm |
||
|
DLS-80 |
Φ89 |
DN32 |
Φ0.8mm-7mm |
|
|
DLS-100 |
Φ108 |
DN50 |
Φ2mm-7mm |
|
|
DLS-125 |
Φ133 |
|||
|
DLS-150 |
Φ159 |
DN80 |
||
|
DLS-200 |
Φ219 |
|||
|
DLS-250 |
Φ273 |
Φ3mm-7mm |
||
|
DLS-300 |
Φ325 |
DN100 |
||
|
DLS-350 |
Φ377 |
|||
|
DLS-400 |
Φ426 |
|||
|
DLS-500 |
Φ530 |
|||
|
DLS-600 |
Φ630 |
|||
|
注:表中LS為手動型,DLS為PLC可編程自動型,該型產品可根據安裝現場特殊要求,另行設計。 |
||||